
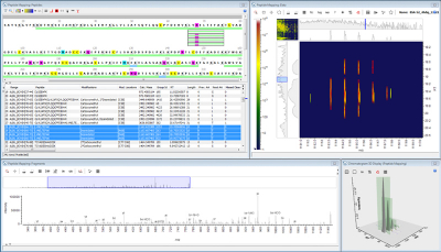
Genedata has released Genedata Expressionist® 13.5, which has been developed in collaboration with partners across the biopharmaceutical industry, and provides unique workflow solutions for specific customer requirements. Out-of-the box data processing and analysis activities are configured to automate complex mass spectrometry-based workflows enabling users to scale up their experimental throughput while improving the quality and consistency of results. The new release includes the following highlights. New peptide mapping functionalities that enable searches for unexpected “wildcard” modifications and facilitate thorough review of results. Novel intact mass analysis providing automated deconvolution over broad mass ranges up to 1 MDa with artefact suppression and a selection of full-range or zoomed views; this improves the resolution and relative quantitation of coeluting species in analysis of intact proteins or subunits.
This release also includes integration with the newest SCIEX mass spectrometers and data formats—such as wiff and wiff2.





